|
解锁力 |
29.4±9.8 |
|
|
锁止力 |
≤600N |
|
|
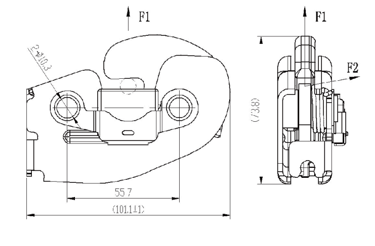
静强度 |
F1 |
≥30KN |
|
F2 |
≥35KN |
|
|
F3 |
≥70KN |
|
|
耐久性 |
≥7000次循环 |
|
|
临界解锁行程 |
10mm(19°) |
|
|
单锁重量 |
430g |
|
|
解锁模式 |
拉索 |
|
|
容差 |
±5毫米 |
|
|
单锁重量 |
Φ8,Φ10,Φ12.5,Φ15 |
|

长安福特翼博/途睿欧
比亚迪S6/S7/宋
广汽乘用车A7M
