|
解锁力 |
10N~49N |
|
|
锁止力 |
≤50N |
|
|
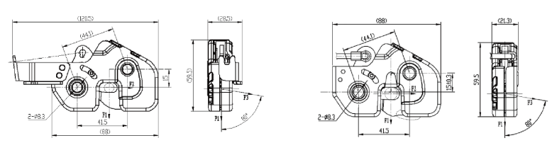
静强度 |
F1 |
≥25KN |
|
F2 |
≥10KN |
|
|
F3 |
≥10.5KN |
|
|
耐久性 |
≥7000次循环 |
|
|
临界解锁行程 |
16.9mm(33.8°) |
|
|
单锁重量 |
228g |
|
|
解锁方式 |
开启杆 |
|
|
拉锁、开启杆 |
||
|
容差 |
±4mm/±3mm |
|
|
适配锁栓 |
Φ8 |
|
|
Φ10 |
||

1.锁环撞击锁叶,并与锁体外壳紧贴。
2.停动勾与锁止销在扭簧的作用下,向锁叶方向旋转。期间,止动钩会旋转至最大位置后停留。
3.自动补偿间隙的关键点事锁止销,当锁止销与锁叶啮合后,由于扭簧作用,锁止销运动力一直存在,如果锁栓没有与锁体外壳贴死,那么锁叶、锁环、锁体外壳(锁栓贴死面)三者就会存在间隙,该间隙也就是异响的来源。而锁止销的作用就是消除该间隙,假如有间隙存在(锁栓没有与锁体外壳贴死),通过车体颠簸产生的惯性,锁环会与锁体外壳产生贴死的瞬间,锁止销会在这个瞬间,依靠扭簧力,向锁叶方向运动,锁止销这时会卡死在锁叶与止动钩之间。










































































