
|
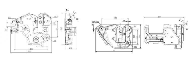
解锁力 |
≤85N |
≤49N |
|
|
锁止力 |
≤120N |
≤120N |
|
|
静强度 |
F1 |
≥25KN |
≥25KN |
|
F2 |
≥13KN(45°) |
≥13KN(45°) |
|
|
F3 |
≥8KN |
≥8KN |
|
|
耐久性 |
≥8000 Cycle |
≥8000 Cycle |
|
|
临界解锁行程 |
13.6mm |
17.5mm(32.1°) |
|
|
单锁重量 |
565g |
899g |
|
|
解锁模式 |
拉锁 |
拉锁 |
|
|
容差 |
±4mm |
±3.5mm |
|
|
适配锁栓 |
Φ8 |
Φ8 |
|
|
调节角度 |
5.5° |
5.5° |
|

1.此锁由上下盖板为基元件,依靠锁叶扭簧顺时针方向给锁叶施加力;让锁叶在自然状态时始终靠在限位铆钉上面。
2.工作状态:锁栓撞在锁叶上面,锁叶依靠锁叶的前端斜面,锁叶自动让开锁栓进入第一开口位置,完成第一档锁止。
3.锁叶依靠解锁摇臂的移动锁叶缩回,锁栓继续往下压,锁栓的另一端进入锁叶的第一开口档,完成第二档锁止。
4.完成闭锁。

长安CS55
马自达全新CX-5
